ABOUT GROUP
時間:2023-07-13 16:11:28 關注度:Loading...
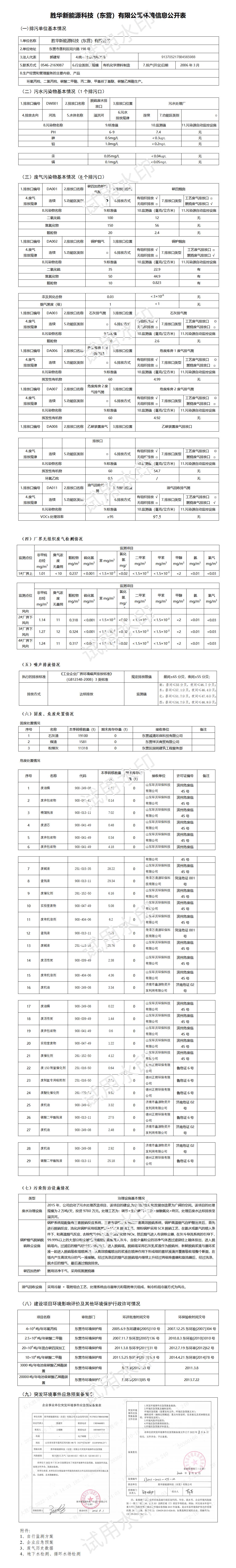
分類:信息公開

勝華新能源科技(東營)有限公司突發環境事件應急預案公示版.pdf
曆史數據_勝華新能源(yuán)科技(jì)(東營)有限公司sg99.xy丝瓜视频-鍋爐(lú)_2023-04-01至2023-06-30.xls新能源科技2023上半年.pdf
上一篇:東營博川環保水務有限公司環境信息公開表(biǎo)(2023年第二季度)
下一篇(piān):東營sg99.xy丝瓜视频新能源有限公司 六氟磷酸鋰裝置升級改造項目環境影響評價 第二次公示
辦公室電話(huà):+86 546 2169028